- Produktbeskrivning
-
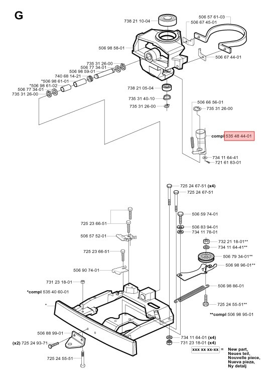
Husqvarna Remspännare 5354844-01
Reservdel till gräsklippare från Husqvarnas reservdelskatalog
Passar bl.a:
Rider 213C Rider 214 Rider 214C Rider 214T Rider 214T AWD Rider 214TC
Ersätter: 5065434-01, 506 54 34-01, 506543401, 5065951-01, 506 59 51-01, 506595101 - Specifikationer
-
Tillverkarens artikelnummer: 535 48 44-01 , 535 48 44-04 , 5354844-01 , 535484401 , 535484404 - Filer
Prishistorik
Nedan finner du prishistorik för denna produkten de senaste 30 dagarna.
Vårt lägsta pris 1-30 dagar innan sänkning:

Uk - GBP
Sweden - SEK


