- Produktbeskrivning
-
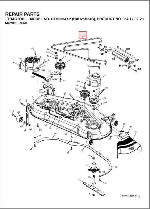
Rem, 5844519-01
Reservdel från Husqvarna
Passar till bl.a:
Husqvarna GTH 2554 XP (954568427, GTH2554XPA, GTH2554XPB, HAU25H54A, HAU25H54B, HAU25H54C)
Ersätter: 5321912-73
Vill du söka bland Husqvarna sprängskisser & reservdelar? Använd då vår reservdelskatalog. Tryck här för att komma till reservdelskatalogen. Tänk på att du alltid ska säkerställa att artikelnumret blir rätt med hjälp av sprängskissen för din maskin. - Specifikationer
-
Tillverkarens artikelnummer: 584 45 19-01 , 584451901 - Filer
Prishistorik
Nedan finner du prishistorik för denna produkten de senaste 30 dagarna.
Vårt lägsta pris 1-30 dagar innan sänkning:

Uk - GBP
Sweden - SEK


