- Produktbeskrivning
-
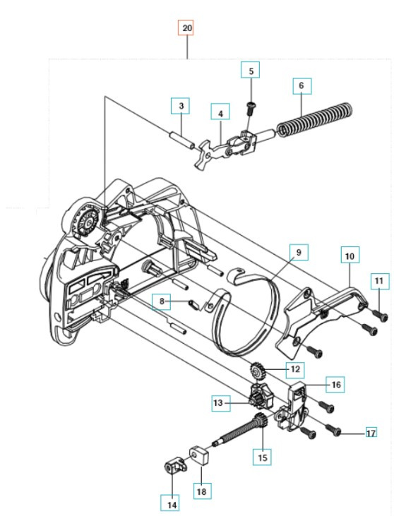
Kedjebroms, 5256114-01
Reservdel från Husqvarna
Passar till bl.a:
Husqvarna 120 / E
Husqvarna 120/E
Husqvarna 235 / E
Husqvarna 235/E
Husqvarna 236
Husqvarna 240
Husqvarna 240/E/Triobrake
Vill du söka bland Husqvarna sprängskisser & reservdelar? Använd då vår reservdelskatalog. Tryck här för att komma till reservdelskatalogen. Tänk på att du alltid ska säkerställa att artikelnumret blir rätt med hjälp av sprängskissen för din maskin. - Specifikationer
-
Tillverkarens artikelnummer: 525 61 14-01 , 525611401 - Filer
Prishistorik
Nedan finner du prishistorik för denna produkten de senaste 30 dagarna.
Vårt lägsta pris 1-30 dagar innan sänkning:

Uk - GBP
Sweden - SEK


