- Produktbeskrivning
-
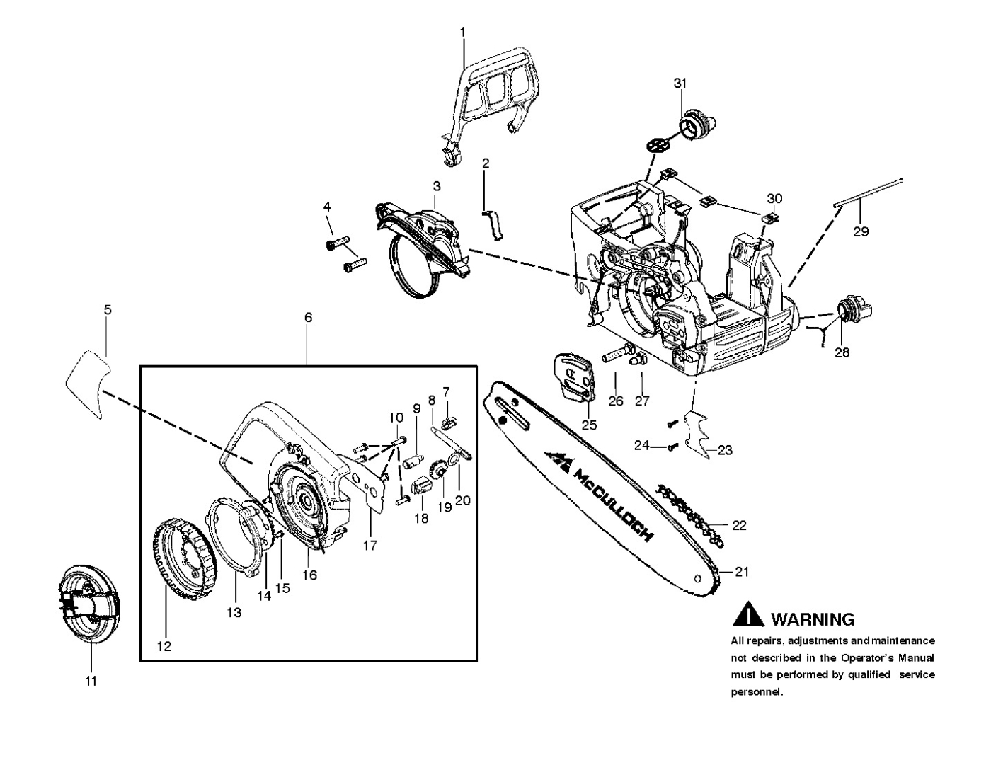
Hjul, 5255018-03
Reservdel från Husqvarna
Passar till bl.a:
Mcculloch
Mcculloch CS420T
Mcculloch CS42STE (967320801, 967320802)
Vill du söka bland Husqvarna sprängskisser & reservdelar? Använd då vår reservdelskatalog. Tryck här för att komma till reservdelskatalogen. Tänk på att du alltid ska säkerställa att artikelnumret blir rätt med hjälp av sprängskissen för din maskin. - Specifikationer
-
Tillverkarens artikelnummer: 525 50 18-03 , 525501803 - Filer
Prishistorik
Nedan finner du prishistorik för denna produkten de senaste 30 dagarna.
Vårt lägsta pris 1-30 dagar innan sänkning:

Uk - GBP
Sweden - SEK


