- Produktbeskrivning
-
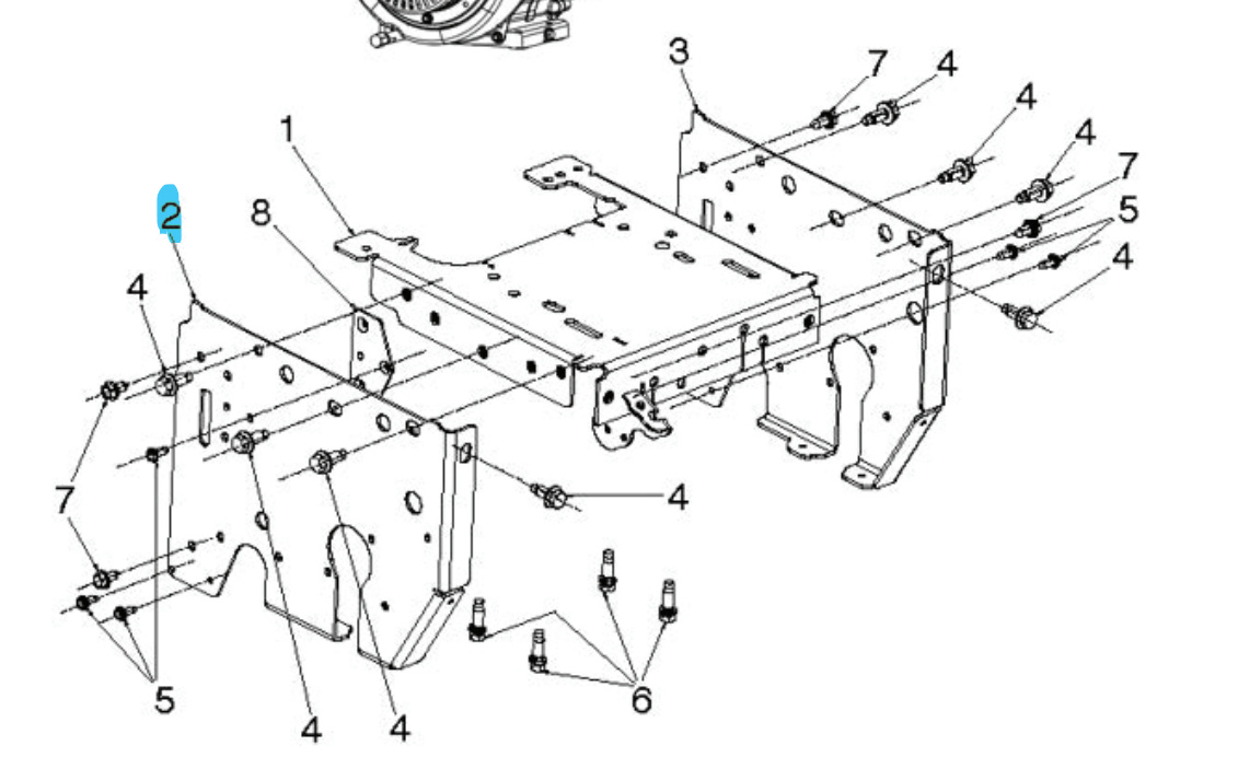
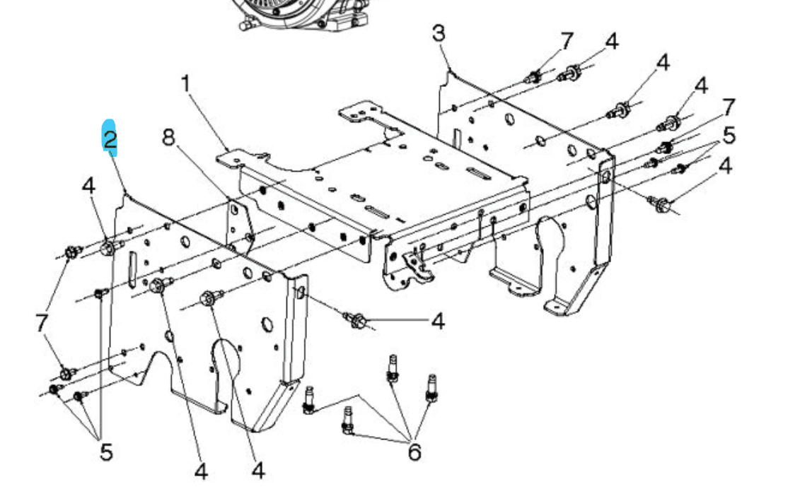
Frame Side Lhs - Ms668 - Orang, 5838084-03
Reservdel från Husqvarna
Passar till bl.a:
Husqvarna ST424
Husqvarna ST424T
Husqvarna ST427
Husqvarna ST430
Husqvarna ST430T
Vill du söka bland Husqvarna sprängskisser & reservdelar? Använd då vår reservdelskatalog. Tryck här för att komma till reservdelskatalogen. Tänk på att du alltid ska säkerställa att artikelnumret blir rätt med hjälp av sprängskissen för din maskin. - Specifikationer
-
Tillverkarens artikelnummer: 583 80 84-03 , 583808403 - Filer
Prishistorik
Nedan finner du prishistorik för denna produkten de senaste 30 dagarna.
Vårt lägsta pris 1-30 dagar innan sänkning:

Uk - GBP
Sweden - SEK


