- Produktbeskrivning
-
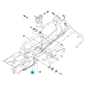
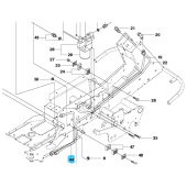
Hydraulrör, 5046434-01
Reservdel från Husqvarna
Passar till bl.a:
Husqvarna Rider 422 TS AWD
Husqvarna Rider Proflex 21 AWD
Vill du söka bland Husqvarna sprängskisser & reservdelar? Använd då vår reservdelskatalog. Tryck här för att komma till reservdelskatalogen. Tänk på att du alltid ska säkerställa att artikelnumret blir rätt med hjälp av sprängskissen för din maskin. - Specifikationer
-
Tillverkarens artikelnummer: 504 64 34-01 , 504643401 - Filer
Prishistorik
Nedan finner du prishistorik för denna produkten de senaste 30 dagarna.
Vårt lägsta pris 1-30 dagar innan sänkning:

Sweden - SEK
Uk - GBP


